Disassembly
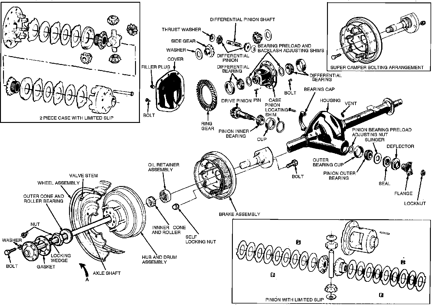
Fig. 1 Dana/Spicer full floating rear axle:

Fig. 2 Dana/Spicer semi-floating rear axle:

When changing ratios on the different series of rear axles, it may be necessary to change the differential case along with the ring gear and drive pinion.
1. Remove axle from vehicle, Figs. 1 and 2.
2. Remove cover plate and drain lubricant from axle. The lubricant will drain out as the cover plate attaching screws are removed.
3. Clean cover face of carrier, ensuring it is free from any nicks, then remove old gasket material.
4. Mark differential bearing caps and axle housing, then remove bearing cap attaching screws and bearing caps.
5. Pull axle shafts out far enough for clearance when removing differential.
6. Install differential housing spreader tool No. 4000-E or equivalent on the case, then a suitable dial indicator on carrier housing. Ensure housing is not spread more than .015 inch.
7. Pry differential case from carrier using two pry bars, then remove spreader tool. Use caution to avoid damage to ring gear and pinion.
8. Disassemble standard differential assembly as follows: (for limited slip and locking differential assemblies, refer to ``Ford Drive Axle w/Integral Carrier'' section)
a. Remove differential bearings using a suitable tool. Wire shims, bearing cups and bearing cones together to ensure correct position during assembly.
b. Inspect shims for wear and damage. Replace as required.
c. Install differential assembly in suitable vise, then remove ring gear attaching bolts.
d. Tap ring gear using suitable hammer, then remove ring gear from case.
e. Remove lock pin which secures the pinion mate shaft using a suitable drift punch and hammer. The semi-float shaft riding bearing type axle has a lock pin which can be removed using a suitable socket.
f. Remove differential pinion mate shaft using a suitable drift punch and hammer.
g. Remove differential side gears and pinion mate gears by rotating the side gears. This will allow pinion mate gears to turn to opening of case.
h. Remove washers from behind the gears, then inspect all parts of the differential and machined surfaces of the case. If excessive wear is visible on all parts, replace complete differential assembly. If any of the gears are to be replaced, they should be replaced as a set.
9. Turn nose of carrier in a horizontal position, then remove pinion nut and washer using suitable tools.
10. Remove end yoke or flange using suitable yoke remover tool. If end yoke or flange shows wear in the area of the seal contact, it should be replaced.
11. Remove pinion from case using a suitable hammer. Use caution not to damage pinion. On the splined end of the pinion, there are bearing preload shims. These shims may stick to pinion or bearings. Ensure shims do not get damaged during pinion removal.
12. Remove pinion seal using a suitable puller, then the bearing cone and outer oil slinger.
13. Turn nose of carrier down, then remove outer pinion bearing cup using a suitable puller. Use caution not to nick carrier bore.
14. Remove inner bearing cup using a suitable tool. Shims are located between the bearing cup and carrier bore and may also include an oil baffle. If shims and baffles are bent or nicked, replace at time of assembly.
15. Remove bearing from pinion using suitable bearing remover tool. Both baffle and slinger are part of the pinion adjustment shims and should be retained for assembly.