Disassemble
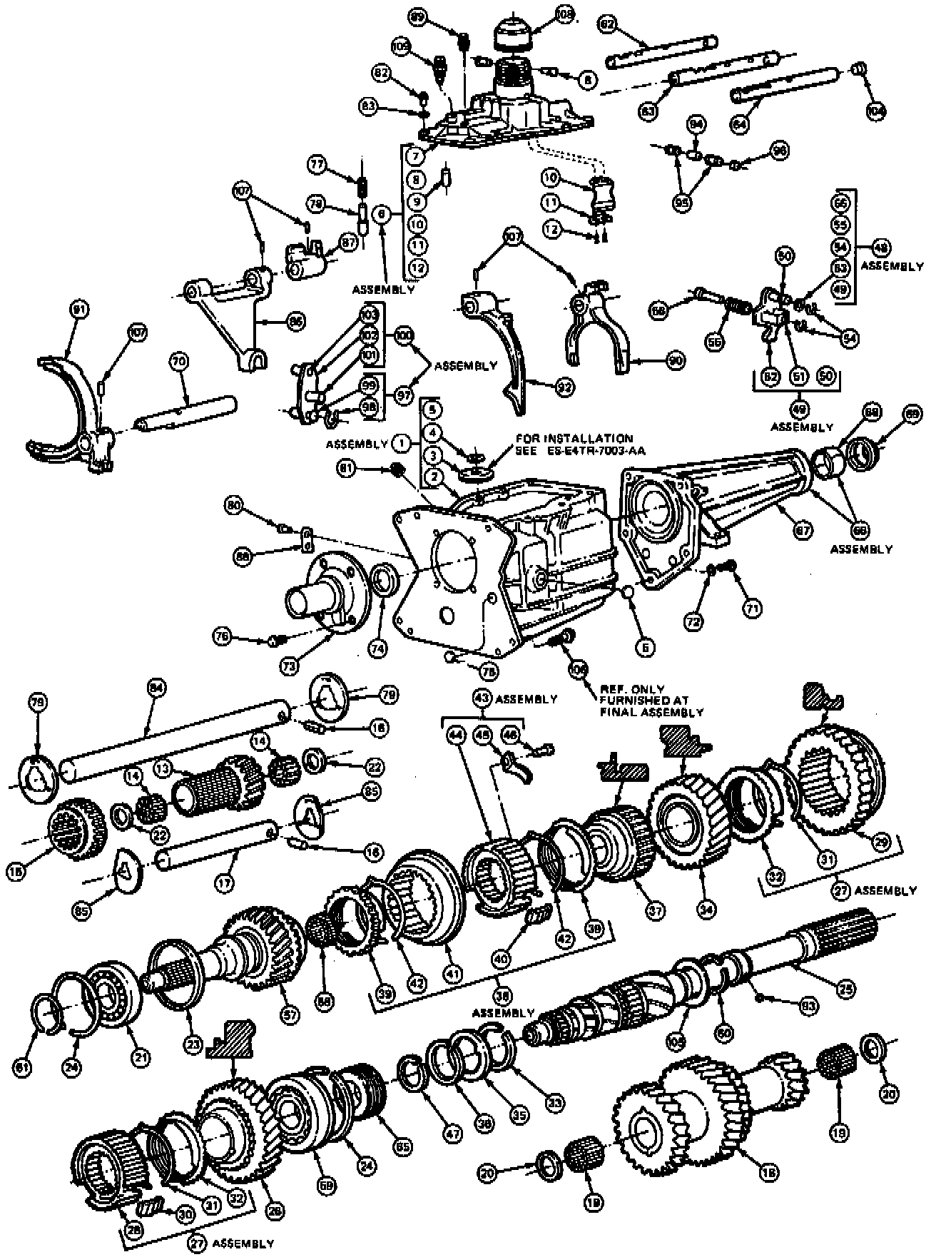
Disassembled View Of Ford Overdrive (Top Mounted Shifter) 4-Speed Manual Transmission (Part 1 Of 2):

Disassembled View Of Ford Overdrive (Top Mounted Shifter) 4-Speed Manual Transmission (Part 2 Of 2):

1. Unscrew gearshift housing cap and remove shift lever.
Positioning 1st-2nd Shift Fork Into 2nd Gear:

2. Shift transmission into 2nd gear.
3. Remove 6 gearshift housing-to-transmission case attaching bolts and the gearshift housing. Clean all gasket material from housing and case mating surfaces.
4. Shift transmission synchronizer assemblies into neutral position.
5. Place a suitable container under extension housing, then remove 5 extension housing-to-transmission case attaching bolts. Separate housing from case and allow transmission fluid to drain into container, then clean all gasket material from housing and case mating surfaces.
6. Remove and discard shipping seal, if equipped, from shaft.
7. Remove speedometer drive gear snap ring and the gear.
8. Remove speedometer drive gear lock ball from output shaft.
9. Drive roll pin out of 3rd-4th shift fork.
10. Position a 3/8 inch diameter rod against 3rd-4th shift rail in transmission case, then tap on rod and remove rail through front of case.
11. Push countershaft out of rear of case using a dummy shaft at front of case. Lower countershaft gear to bottom of case.
12. Remove output shaft snap ring and the output shaft rear bearing snap ring.
Output Shaft Rear Bearing Removal:

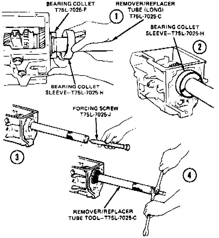
13. Remove and discard output shaft rear bearing.
14. Remove input shaft bearing retainer attaching bolts and the retainer. Clean all gasket material from retainer and case mating surfaces.
15. Remove snap ring retaining front input shaft ball bearing, then the snap ring and retainer from the bearing.
Input Shaft Front Bearing Removal:

16. Remove and discard front input shaft bearing.
17. Rotate input shaft until flats on synchronizer teeth align with teeth on countershaft gear, then remove input shaft from case. Use care to avoid dropping needle bearings from rear of input shaft.
18. Mark 3rd-4th blocking ring for assembly reference, then remove ring from rear of input shaft.
19. Remove 3rd-4th shift fork from intermediate and high clutch sleeve.
20. Remove output shaft and geartrain assembly from transmission case.
21. Lift countershaft gear, with dummy shaft inside, from bottom of transmission case. Use care to avoid dropping needle bearings from gear.
22. Remove countershaft nylon thrust washers from each end of case.
23. Remove reverse idler bronze thrust washers, reverse idler gear, reverse idler sliding gear, two flat washers and idler shaft needle bearings from transmission case.
24. Remove 3rd-4th roll pin from bottom of case.
25. Remove overdrive shift control link and pin assembly from case.