Starting System: Description and Operation
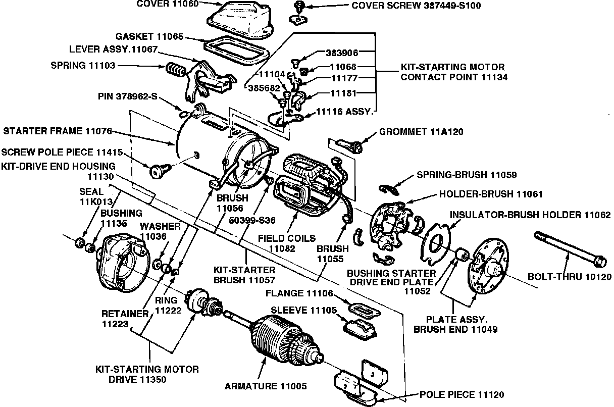
Fig. 1 Ford Motorcraft positive engagement starting motor (Typical):

Fig. 2 Starter drive engaged:

This type starting motor, Fig. 1, is a four pole, series parallel unit with a positive engagement drive built into the starter. The drive mechanism is engaged with the flywheel by lever action before the motor is energized.
When the ignition switch is turned on to the start position, the starter relay is energized and supplies current to the motor. The current flows through one field coil and a set of contact points to ground. The magnetic field given off by the field coil pulls the movable pole, which is part of the lever, downward to its seat. When the pole is pulled down, the lever moves the drive assembly into the engine flywheel, Fig. 2.
When the movable pole is seated, it functions as a normal field pole and opens the contact points. With the points open, current flows through the starter field coils, energizing the starter. At the same time, current also flows through a holding coil to hold the movable pole in its seated position.
When the ignition switch is released from the start position, the starter relay opens the circuit to the starting motor. This allows the return spring to force the lever back, disengaging the drive from the flywheel and returning the movable pole to its normal position.