Operation CHARM
: Car repair manuals for everyone.
Home
>>
Ford
>>
1986
>>
F 150 4WD Pickup V8-302 5.0L
>>
Repair and Diagnosis
>>
Diagrams
>>
Electrical Diagrams
>>
Instrument Panel, Gauges and Warning Indicators
>>
Clock
Clock
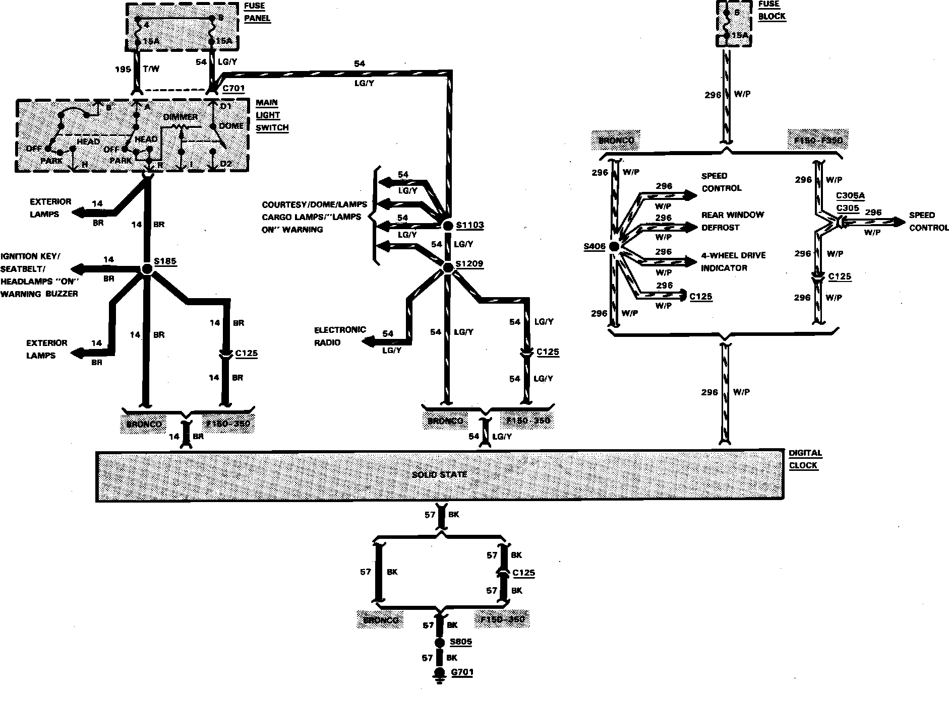
Fig. 14 Digital Clock Wiring Circuit: