Operation CHARM
: Car repair manuals for everyone.
Home
>>
Ford
>>
1986
>>
F 150 4WD Pickup V8-302 5.0L
>>
Repair and Diagnosis
>>
Diagrams
>>
Electrical Diagrams
>>
Powertrain Management
>>
Ignition System
>>
Wiring Diagrams
Wiring Diagrams
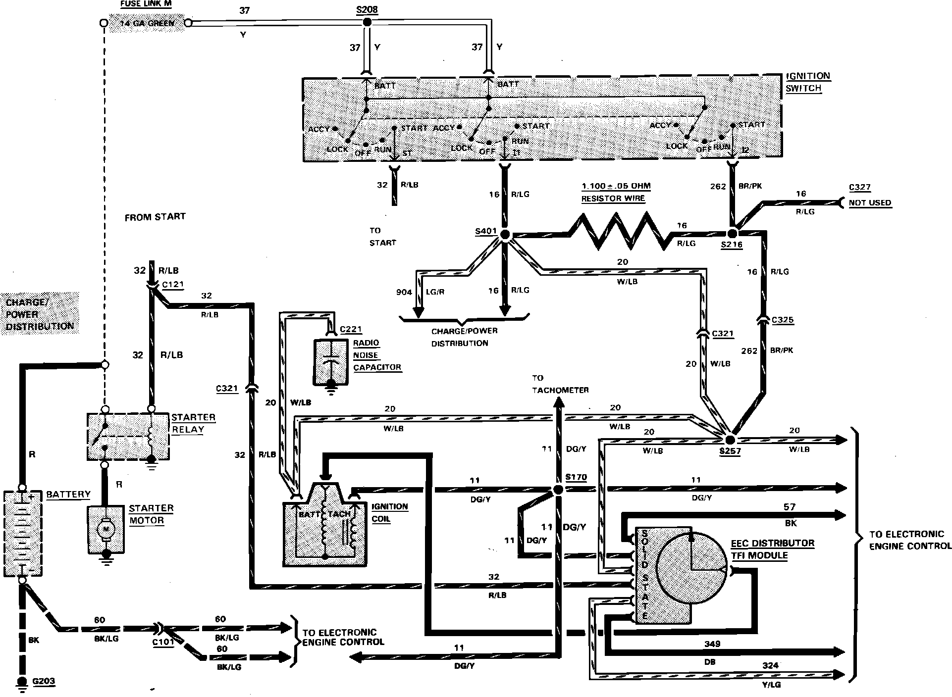
Fig. 41 Ignition & Starting System Wiring Circuit (Part 1 of 2). V8-302 (5.0L) W/Electronic Control (EEC) System:
Fig. 41 Ignition & Starting System Wiring Circuit (Part 2 of 2). V8-302 (5.0L) W/Electronic Control (EEC) System: