Operation CHARM
: Car repair manuals for everyone.
Home
>>
Ford
>>
1986
>>
F 150 4WD Pickup V8-302 5.0L
>>
Repair and Diagnosis
>>
Diagrams
>>
Vacuum and Vapor Hose Diagrams
>>
Emission Control Systems
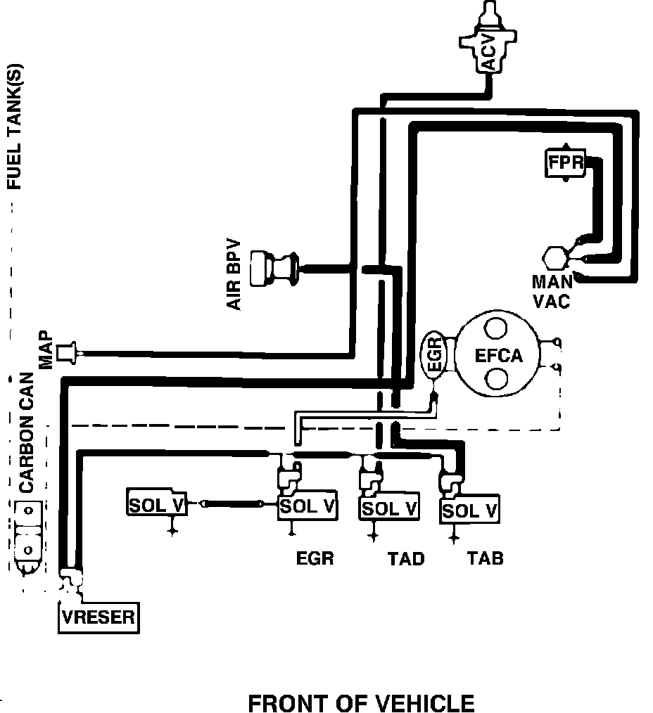
Emission Control Systems
Fig. 177 Vacuum hose routing. 1986 V8-302 Bronco & F Series: