Operation CHARM: Car repair manuals for everyone.

Brake Light Switch: Service and Repair

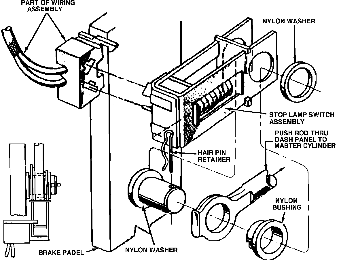
Fig. 6 Stop light switch replacement. Exc. 1980---83 E-100 w/manual brakes.:




Fig. 7 Stop light switch replacement. 1980---83 E-100 w/manual brakes:





1. Disconnect battery ground cable.
2. Disconnect electrical connector from switch, Figs. 6 and 7.
3. Remove hairpin retainer, then slide stop light switch, pushrod, nylon washers and bushings away from pedal and remove the switch from vehicle.
4. Reverse procedure to install. Ensure stop light switch wires are of sufficient length to allow full travel of the brake pedal.