Operation CHARM
: Car repair manuals for everyone.
Home
>>
Ford
>>
1986
>>
F 150 4WD Pickup V8-302 5.0L
>>
Repair and Diagnosis
>>
Maintenance
>>
Fuses and Circuit Breakers
>>
Fusible Link
>>
Locations
>>
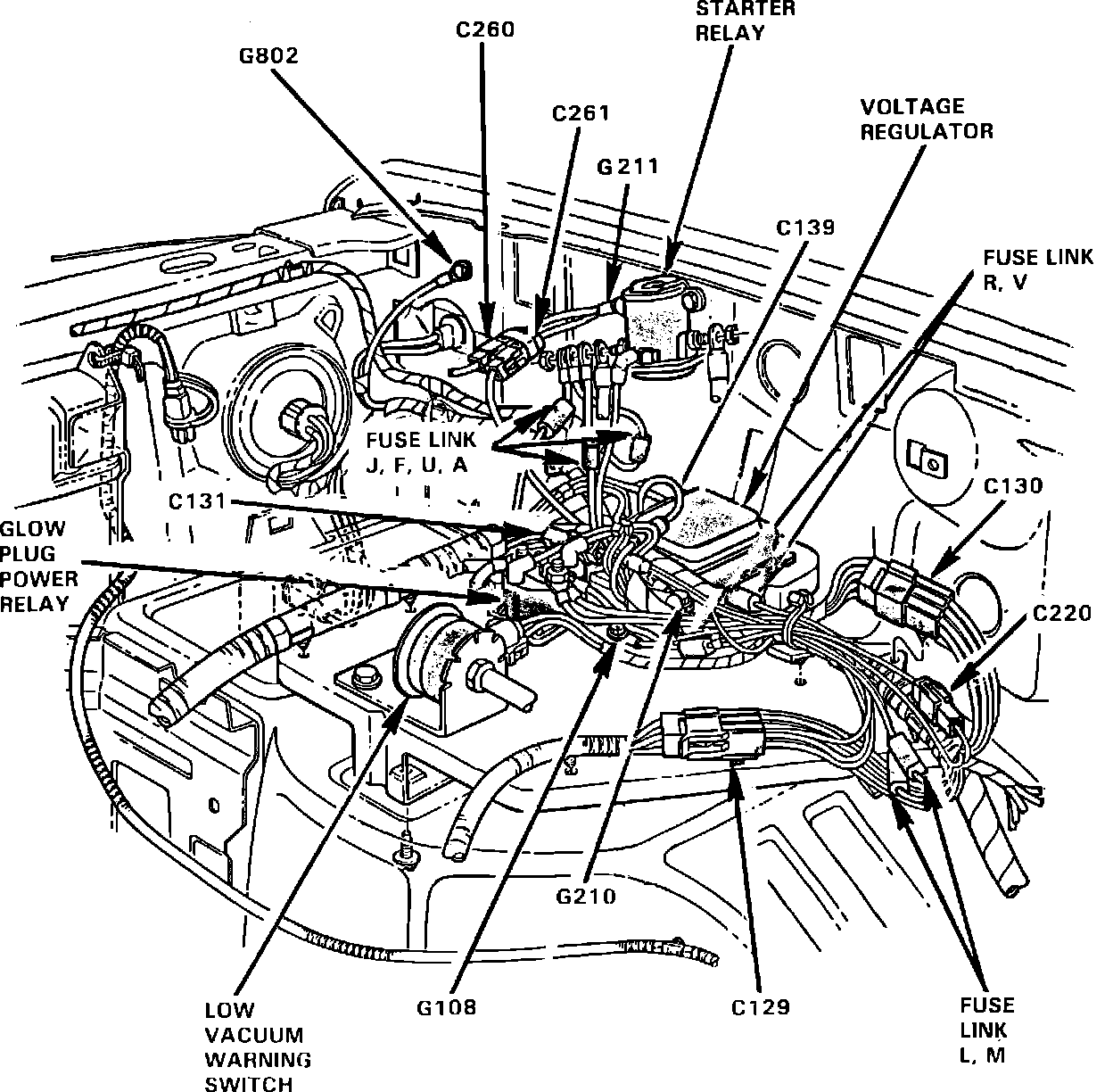
Fuse Link L
Fuse Link L
RH Fender Apron & Dash Panel.:
Near Dash Panel
Applicable to: Diesel Engine