Assembly
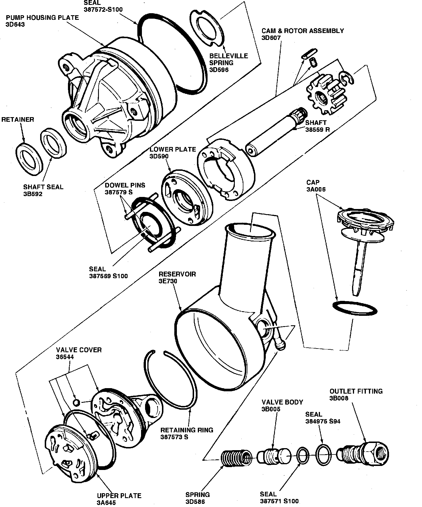
Fig. 1 Exploded view of Ford Model CII power steering pump:

Fig. 4 Installing Slipper Springs:

Fig. 5 Installing Slippers:

1. Position rotor on rotor shaft splines with triangle detent on rotor counter bore facing upward.
2. Install snap ring into groove on end of rotor shaft, Fig. 1.
3. Position insert cam over rotor. Ensure recessed notch on insert cam is facing upward.
4. With rotor extended upward approximately half out of cam, insert spring into rotor picket, Fig. 4.
5. Use a slipper to compress spring, then install slipper with groove facing cam, Fig. 5.
6. Perform steps 4 and 5 on slipper cavity beneath opposite inlet recess.
7. While holding cam stationary, index rotor left or right one space and install another spring and slipper until all ten rotor cavities have been filled. Ensure rotor springs and slippers remain in position while turning.
8. Apply Loctite No. 242 or 271 adhesive or equivalent to outside diameter of seal and Lockquick NF or T primer or equivalent to seal bore in housing. Install rotor shaft seal using tool No. T78P-3733-A3. Using a plastic mallet, drive seal into bore until properly seated.
9. Position pump plate on flat surface with pulley side facing downward.
10. Install two dowel pins and spring into housing. Spring must be inserted with dished surface facing upward.
11. Lubricate inner and outer O-ring seals with power steering fluid, then install seals on lower pressure plate.
12. Install lower pressure plate into housing and over dowel pin with O-ring seals facing toward front of pump. Position assembly on C-clamp. Place tool No. T78P-3733-A3 into rotor shaft hole and press on lower plate lightly until it bottoms in pump housing. This will seat the outer O-ring seal.
Upper Pressure Plate Installation:

Fig. 8 Installing Valve Cover:

Fig. 6 Assembling Cam, Slippers And Rotor:

13. Install cam, rotor, rotor and slippers and rotor shaft assembly into pump housing over dowel pins. When installing assembly into pump housing,stepped holes must be used for dowel pins and notch in cam insert must be toward reservoir and approximately 180 degrees opposite square mounting lug on housing, Fig. 6.
14. Position upper pressure plate over dowel pins with recess directly over recessed notch on cam insert and approximately 180 degrees opposite square mounting lug, Fig. 7.
15. Lubricate O-ring seal with power steering fluid. Then, position O-ring on valve cover. Ensure plastic baffle is securely in position on valve cover. A coat of petroleum jelly may be used to hold baffle in position.
16. Insert valve cover over dowel pins. Ensure outlet fitting hole in valve cover is aligned with square mounting lug on housing, Fig. 8.
17. Place assembly in C-clamp and compress valve cover into pump housing until snap ring groove on housing is exposed.
18. Install valve cover snap ring in pump housing. Ensure snap ring ends are near access hole in pump housing.
19. Remove pump assembly from C-clamp.
20. Lubricate O-ring seal with power steering fluid, then place seal on pump housing.
21. Install reservoir on pump housing.
22. Install flow control valve and spring into valve cover.
23. Lubricate O-ring seals with power steering fluid, then place seals on outlet fitting.
24. Install outlet fitting on valve cover. Torque outlet fitting to 25---34 ft. lbs. Use care not to cock flow control valve when installing. Do not force valve forward otherwise damage to housing may result.