Axle Beam: Description and Operation
Fig. 1 Twin I-Beam front axle:

Fig. 2 Spindle used with twin I Beam front axle. Typical:

EXC. 4 WHEEL DRIVE MODELS
Twin I-Beam Axle
As illustrated in Fig. 1 there are two I-beam axles, one for each front wheel. One end of each axle is attached to the spindle and a radius arm and the other end is attached to a frame bracket on the opposite side of the vehicle.
Each spindle is held in place on the axle by ball joints or a spindle bolt which pivots in bushings pressed in the upper and lower ends of the spindle, Fig. 2. On models equipped with spindle bolts, a thrust bearing is installed between the lower end of the axle and the spindle to support the load on the axle. On all models, a spindle arm is installed on each spindle for attachment to the steering linkage.
Fig. 3 Independent front suspension. Bronco & F-150 Four Wheel Drive. 1981---87 shown (similar to 1980):

4 WHEEL DRIVE MODELS
Bronco & F-150
The independent front suspension on these vehicles is composed of a two piece front driving axle assembly, two coil springs and two radius arms, Fig. 3. The front driving axle consists of two independent yoke and tube assemblies. One end of yoke and tube assembly is anchored to the frame. The other end of each yoke and tube assembly is supported by the coil spring and radius arm.
Fig. 4 Independent front suspension. F-250 & F-350 Four Wheel Drive.1980---82 shown (similar to 1983---87 exc. 1986---87 F-350 w/Dana 60 Monobeam front drive axle):

1980---87 F-250 & F-350 EXC. F-350 W/DANA 60 MONOBEAM FRONT DRIVE AXLE
The independent front suspension on these vehicles has a two piece driving axle attached to the frame with two semi-elliptic leaf springs, Fig. 4. Each spring is clamped to the axle yoke with two U-bolts. The rear tube assembly of the spring rests in a rear hanger bracket. The front of the spring is attached to a shackle bracket.
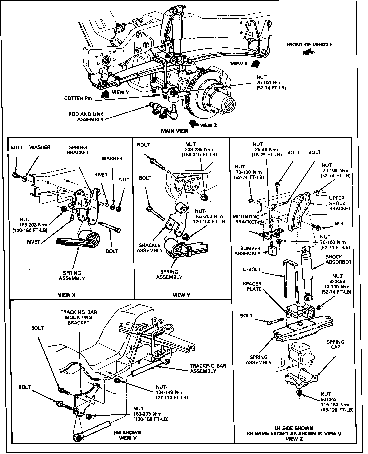
Fig. 5 Independent front suspension. 1986---87 F-350 w/Dana 60 Monobeam front drive axle:

1986---87 F-350 W/Dana 60 Monobeam Front Drive Axle
The front suspension used on these models has a one piece driving axle attached to the frame with two semi-elliptic leaf springs, Fig. 5.Each spring is clamped to the axle assembly with two U-bolts. The rear eye of the spring is attached to the hanger bracket. The front of the spring is attached to a shackle bracket. On the right spring cap, a tracking bar is attached with the opposite end mounted on the crossmember.