Operation CHARM: Car repair manuals for everyone.

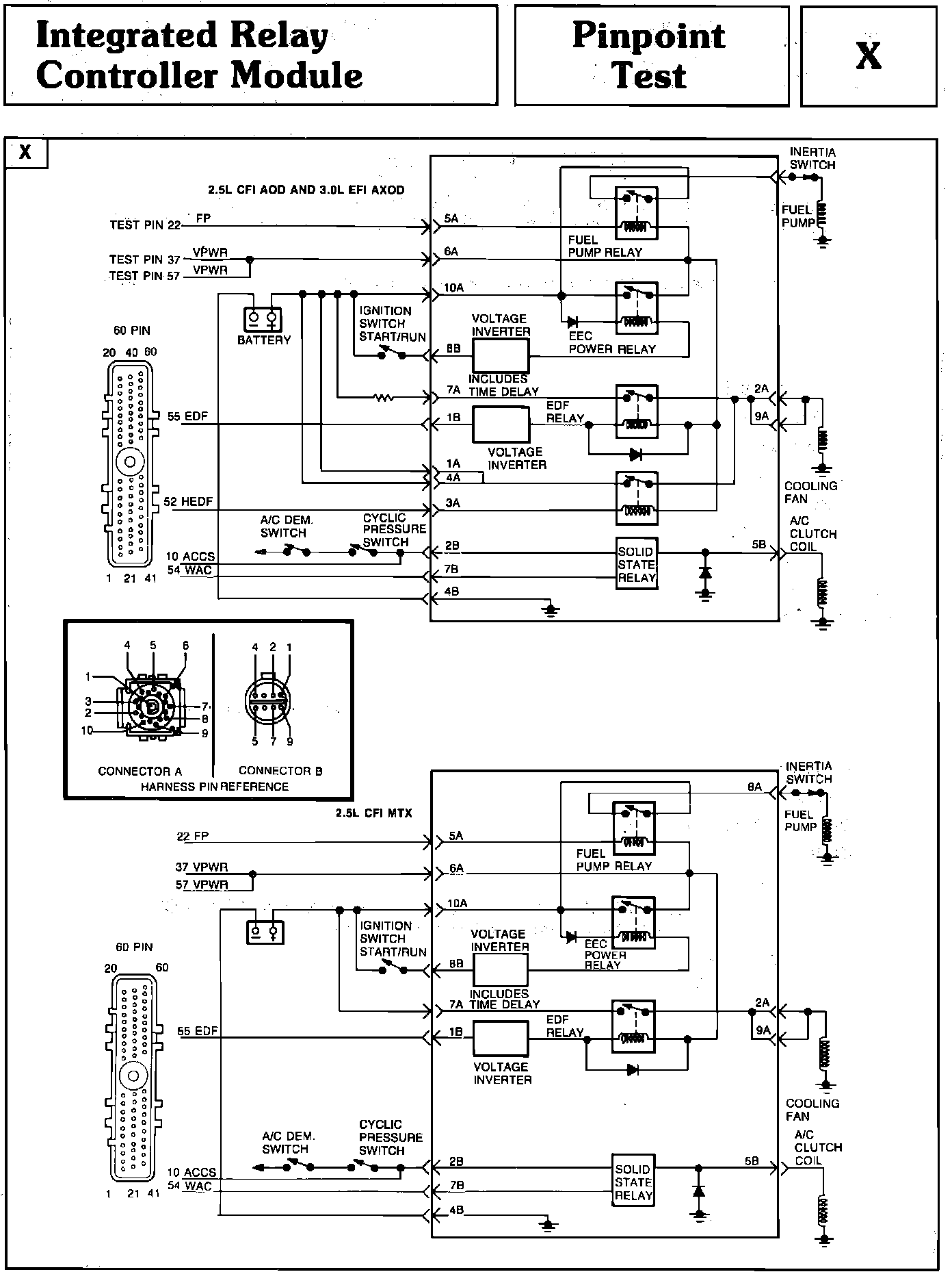
X - Wiring Diagram