Operation CHARM
: Car repair manuals for everyone.
Home
>>
Ford
>>
1986
>>
F 150 4WD Pickup V8-302 5.0L
>>
Repair and Diagnosis
>>
Technical Service Bulletins
>>
All Technical Service Bulletins
>>
TFI Module/PIP Sensor - New Diagnostic Procedure
>>
Part 2 TFI-IV Ignition System With TFI Ignition Tester
>>
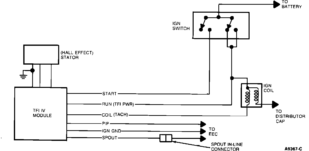
Functional Schematic
Functional Schematic
TFI-IV
The TFI-IV system electrical schematic is shown below. For detailed information, refer to the vehicle wiring diagram.