Operation CHARM
: Car repair manuals for everyone.
Home
>>
Ford
>>
1986
>>
F 150 4WD Pickup V8-302 5.0L
>>
Repair and Diagnosis
>>
Powertrain Management
>>
Ignition System
>>
Testing and Inspection
>>
Symptom Related Diagnostic Procedures
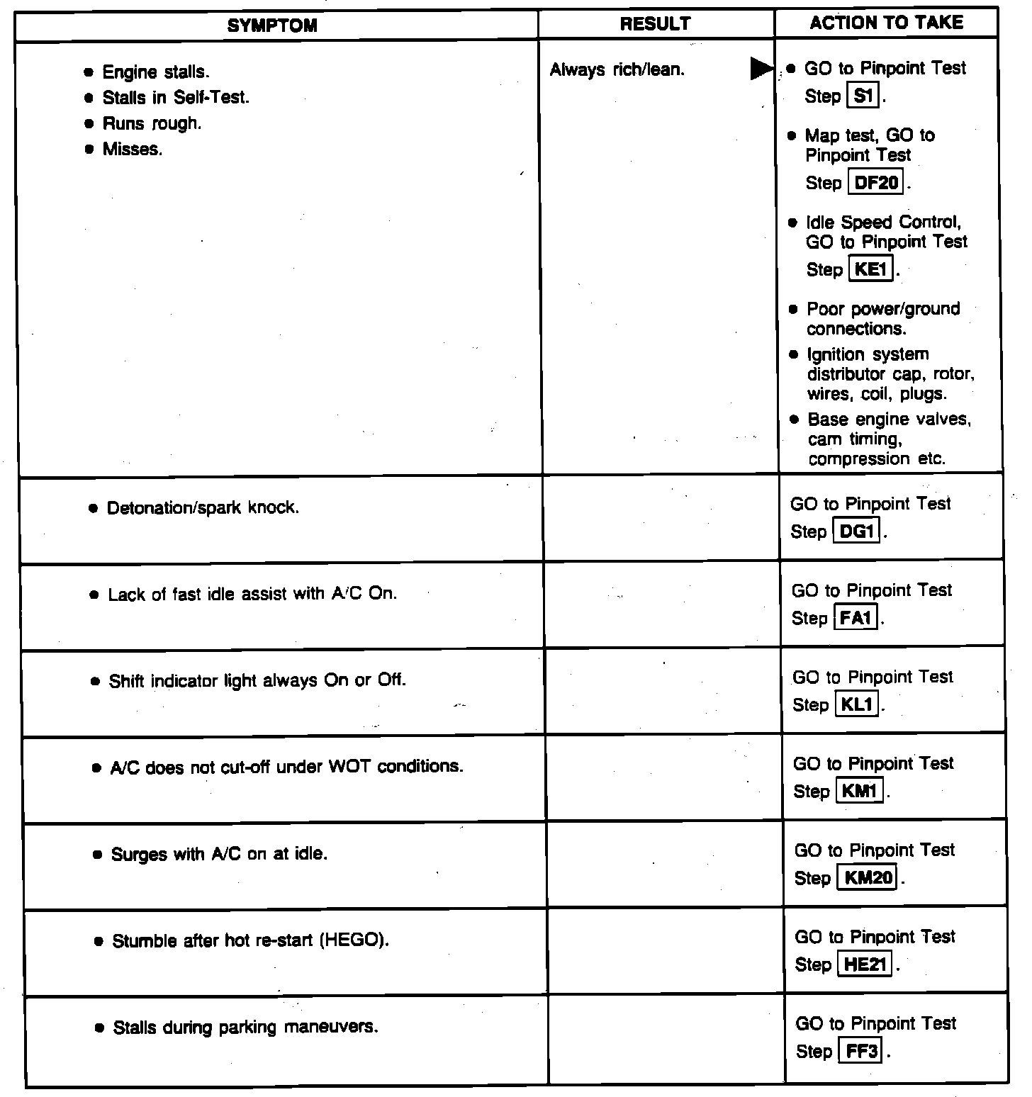
Symptom Related Diagnostic Procedures
Diagnostic By Symptom: